產品工作原理和用途:
Q41F46襯氟球閥是為各種強腐蝕性介質管路的啟閉控制而設計。Q41F46 型襯氟球閥內腔及球體均采用高壓注塑工藝襯有耐腐蝕、耐老化的聚全氟乙丙?。‵46),故具有可靠的耐腐蝕性和密封性。用于化工、石油、冶金、醫藥等工業部門,實現對生產過程中酸、堿等強腐蝕介質的調節或切斷,在水處理過程控制中使用效果明顯。是目前防腐閥門設備理想的選擇之一。
Q41F46系列襯氟球閥采用氟塑料襯里,殼體采用熔模精密鑄造,強度高、外觀光潔,與液體接觸部分全部為氟塑料,因此可在-50℃~180℃范圍內長期使用于任意濃度的腐蝕性管路、管線工作。
產品結構特點:
1、采用氟塑料襯里層的球閥,具有較高的化學穩定性,可以適用除“熔融堿金屬和元素氟”,以外其它任何強腐蝕性質。
2、采用全通徑、浮動球結構,閥門可在整個壓力范圍內進行無泄漏關閉,更便于管路系統的通球掃線和管路維護。
3、啟閉件球體與閥桿鑄(鍛)為一體,杜絕了由于壓力變化引起閥桿沖擊承壓件內的可能性,從根本上保證了工程中的使用安全性。
4、結構緊湊合理,閥體內腔空間小,減小了介質滯留,另外,特殊的模壓工藝,使密封面致密度良好,加之人字環形PTFE填料組合,使閥門達到零泄漏。
5、兩片式、三片式結構可適應各種不同要求的管路系統和工況條件,其中三片球閥允許主閥體與兩側閥體分離,可實現在線快速更換、維修。
產品性能參數:
型號 | Q41F46-10 | Q41F46-16 | Q41F46-10C | Q41F46-16C |
工作壓力(MPa) | 1.0 | 1.6 | 1.0 | 1.6 |
適用溫度(℃) | -10~150 | -20~150 |
適用介質 | 腐蝕性介質 |
產品主要零件材料:
零件名稱 | 灰鑄鐵 | 鑄鋼 | 不銹耐酸鑄鋼 | 超低碳不銹耐酸鑄鋼 |
Z | C | P | R | PL | RL |
閥體/閥蓋 | HT250 | WCB | CF8 | CF8M | CF3 | CF3M |
球體/閥桿 | WCB | CF8 | CF8M | CF3 | CF3M |
襯里/閥座 | PCTEF(F3)、FEP(F46)、PFA(可溶性F4)、PP、PO |
填料壓蓋 | WCB | CF8 | CF8M | CF3 | CF3M |
填料 | PTFE(F4) | PTFE(F4) | PTFE(F4) |
支架 | 35 | 1Cr18Ni9Ti | 1Cr18Ni9Ti |
螺栓 | 35 | 1Cr17Ni2 | 1Cr18Ni2 |
緊固螺母 | 45 | 0Cr18Ni9 | 0Cr18Ni9 |
操作手柄 | WCB | WCB | WCB |

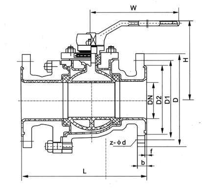
產品主要尺寸:
公稱通徑 | 標準值 | 參考值 |
DN (mm) | NPS (inch) | L | D | D1 | D2 | f | b | Z-φd | W | D0 | H | WT(Kg) |
PN1.0MPa |
15 | 1/2 | 130 | 95 | 65 | 45 | 2 | 14 | 4-φ14 | 120 |
| 80 | 2.5 |
20 | 3/4 | 140 | 105 | 75 | 55 | 2 | 16 | 4-φ14 | 140 |
| 90 | 3 |
25 | 1 | 150 | 115 | 85 | 65 | 2 | 16 | 4-φ14 | 160 |
| 100 | 4.5 |
32 | 11/4 | 165 | 135 | 100 | 78 | 2 | 18 | 4-φ18 | 160 |
| 110 | 5.7 |
40 | 11/2 | 180 | 145 | 110 | 85 | 3 | 18 | 4-φ18 | 200 |
| 120 | 7 |
50 | 2 | 200 | 160 | 125 | 100 | 3 | 20 | 4-φ18 | 250 |
| 135 | 9.5 |
65 | 21/2 | 220 | 180 | 145 | 120 | 3 | 20 | 4-φ18 | 300 |
| 145 | 15 |
80 | 3 | 250 | 195 | 160 | 135 | 3 | 22 | 4-φ18 | 350 |
| 185 | 19 |
100 | 4 | 280 | 215 | 180 | 155 | 3 | 22 | 8-φ18 | 400 |
| 195 | 33 |
125 | 5 | 320 | 245 | 210 | 185 | 3 | 24 | 8-φ18 | 500 |
| 210 | 58 |
150 | 6 | 360 | 280 | 240 | 210 | 3 | 24 | 8-φ23 |
| 200 | 450 | 93 |
200 | 8 | 457 | 335 | 295 | 265 | 3 | 26 | 8-φ23 |
| 240 | 490 | 155 |
250 | 10 | 533 | 390 | 350 | 320 | 3 | 28 | 12-φ23 |
| 240 | 550 | 210 |
PN1.6MPa |
15 | 1/2 | 130 | 95 | 65 | 45 | 2 | 14 | 4-φ14 | 120 |
| 80 | 2.5 |
20 | 3/4 | 130 | 105 | 75 | 55 | 2 | 16 | 4-φ14 | 140 |
| 90 | 3 |
25 | 1 | 140 | 115 | 85 | 65 | 2 | 16 | 4-φ14 | 160 |
| 100 | 4.5 |
32 | 11/4 | 165 | 135 | 100 | 78 | 2 | 18 | 4-φ18 | 160 |
| 110 | 5.7 |
40 | 11/2 | 165 | 145 | 110 | 85 | 3 | 18 | 4-φ18 | 200 |
| 120 | 7 |
50 | 2 | 203 | 160 | 125 | 10 | 3 | 20 | 4-φ18 | 250 |
| 135 | 9.5 |
65 | 21/2 | 222 | 180 | 145 | 120 | 3 | 20 | 4-φ18 | 300 |
| 145 | 15 |
80 | 3 | 24 | 195 | 160 | 135 | 3 | 22 | 8-φ18 | 350 |
| 185 | 19 |
100 | 4 | 305 | 215 | 180 | 155 | 3 | 24 | 8-φ18 | 400 |
| 195 | 33 |
125 | 5 | 356 | 245 | 210 | 185 | 3 | 26 | 8-φ18 | 500 |
| 210 | 58 |
150 | 6 | 394 | 280 | 240 | 210 | 3 | 28 | 8-φ23 |
| 200 | 450 | 93 |
200 | 8 | 457 | 335 | 295 | 265 | 3 | 30 | 12-φ23 |
| 240 | 490 | 155 |